QSG-UL7130

Product Features

The aluminum profiles in the Uni-Line Series have diverse shapes and structures. In different spatial scenarios, they can be paired with PC Cover or neon silicone cover of different shapes to prevent glare and polarization, while also providing durability and eye protection. The profiles can be flexibly bent to meet various spatial requirements such as embedding, surface installation, and lifting. Use minimalist lines to outline the spatial contours and define advanced textures with delicate light and shadow. Hidden in the architectural texture during the day, releasing even soft light at night, giving every corner a flowing poetic quality. Both the sense of order in commercial spaces and the atmosphere in home environments can be accurately presented.

Applicable Scenarios

Widely used in indoor,office,shoppingmalls,hotels and other spatial scenarios.

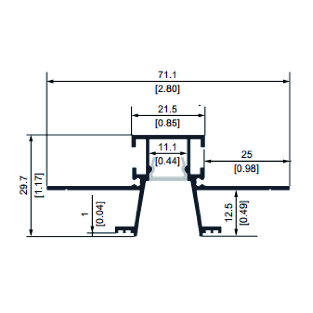
Dimensional Drawing
Product Composition